华球足球 SHANGHAI YOULI WATER-STORING PIPES CO. ,LTD 021-57394889 021-57394899
  • 请选择一级分类
  • 国标GB工业用管道系统
  • 国际GB给水用管道系统
  • 美标ANSI SCH80/40管道系统
  • 膜管及组件系列
  • 电子级水用(洁净型)UPVC管道系统
  • 电力电缆、通讯光缆用保护套管系列
  • SJS双金属复合管
  • 衬塑(ABS)复合钢管系统
  • GB/ANSI 阀门系列
  • 板材焊条 其他配件
  • 容器、槽罐、非标件定制
  • {{item.name}}
  • {{item.name}}
  • {{item.name}}
热门关键词:UPVC管材|UPVC管件|UPVC阀门|CPVC管材|CPVC管件|CPVC阀门|SCH80 UPVC管材|SCH80 UPVC管件|ANSI阀门|SCH40 UPVC管材|SCH80 CPVC管材|SCH80 CPVC管件
D971X-10S电动蝶阀 PRODUCT
首页 > D971X-10S电动蝶阀
D971X-10S电动蝶阀PRODUCT CENTER
D971X-10S电动蝶阀


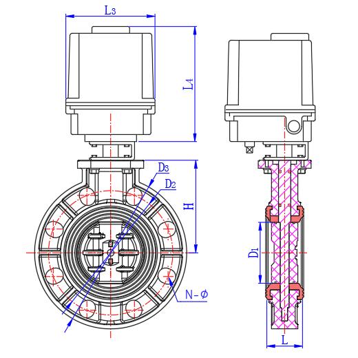
电动蝶阀.jpg

                                               单位为毫米

公称通径

DN

D1

D2

D3

N-Φ

L

L3

L4

H

50

48

125

160

4-19

43

118

145

100

65

63

145

181

4-19

46

118

145

112

80

78

160

196

8-19

49

118

145

120

100

98

180

230

8-19

54

118

185

140

125

122

210

260

8-19

64

118

185

165

150

146

240

288

8-23

70

165

198

180

200

199

295

344

8-23

88

165

198

215

250

246

350

412

12-23

98

165

280

260

300

296

400

487

12-23

108

165

280

285

350*

328

460

512

16-25

125

165

280

310

400*

382

515

598

16-27

140

240

290

350

450*

446

565

615

20-27

152

240

372

370

500*

494

620

670

20-27

152

240

372

400

600*

590

725

780

20-30

178

240

372

465

注:*为D971X-6S型。
采购:D971X-10S电动蝶阀*表示必填

华球足球(中国) 阿里巴巴
华球足球(中国)产品 合作代理 最新咨询 工程业绩 技术服务 华球足球(中国)实力 关于华球足球(中国) 联系华球足球(中国)
copyright@2021 华球足球
销售热线:021-57394889,021-57394899,13611884555
地址:上海市金山区廊下镇漕廊公路7515号
关键词:UPVC管材|UPVC管件|UPVC阀门|CPVC管材|CPVC管件|CPVC阀门|SCH80 UPVC管材|SCH80 UPVC管件|ANSI阀门|SCH40 UPVC管材|SCH80 CPVC管材|SCH80 CPVC管件