华球足球 SHANGHAI YOULI WATER-STORING PIPES CO. ,LTD 021-57394889 021-57394899
  • 请选择一级分类
  • 国标GB工业用管道系统
  • 国际GB给水用管道系统
  • 美标ANSI SCH80/40管道系统
  • 膜管及组件系列
  • 电子级水用(洁净型)UPVC管道系统
  • 电力电缆、通讯光缆用保护套管系列
  • SJS双金属复合管
  • 衬塑(ABS)复合钢管系统
  • GB/ANSI 阀门系列
  • 板材焊条 其他配件
  • 容器、槽罐、非标件定制
  • {{item.name}}
  • {{item.name}}
  • {{item.name}}
热门关键词:UPVC管材|UPVC管件|UPVC阀门|CPVC管材|CPVC管件|CPVC阀门|SCH80 UPVC管材|SCH80 UPVC管件|ANSI阀门|SCH40 UPVC管材|SCH80 CPVC管材|SCH80 CPVC管件
CPVC 一体法兰 PRODUCT
首页 > CPVC 一体法兰
CPVC 一体法兰PRODUCT CENTER
CPVC 一体法兰

   

7  一体法兰.jpg

          

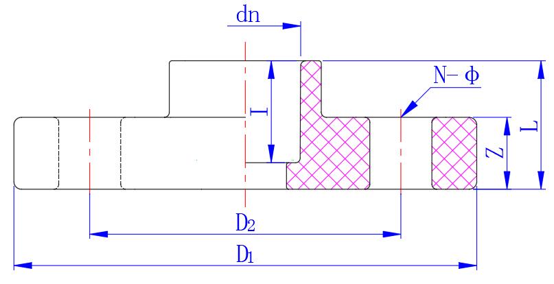
公称通径

DN

dn

D1

D2

I

L

Z

N-Φ

125

140

250

210

75

85

33

8-Φ18

150

160

285

240

86

94

34

8-Φ22

200

225

340

295

118

128

35

8-Φ22

250

280

400

350

146

162

35

12-Φ22

300

315

455

400

163

181

37

12-Φ22

350

355

505

460

180

290

50

16-Φ22

400

400

565

515

200

320

55

16-Φ26

450

450

615

565

230

350

60

20-Φ26

500

500

670

620

250

385

65

20-Φ26

600

630

780

725

300

450

70

20-Φ30

700

710

895

840

310

520

75

24-Φ30

800

800

1015

950

330

550

80

24-Φ33

900

900

1115

1050

340

620

85

28-Φ33

1000

1000

1230

1160

350

680

90

28-Φ36

单位为毫米


采购:CPVC 一体法兰*表示必填

华球足球(中国) 阿里巴巴
华球足球(中国)产品 合作代理 最新咨询 工程业绩 技术服务 华球足球(中国)实力 关于华球足球(中国) 联系华球足球(中国)
copyright@2021 华球足球
销售热线:021-57394889,021-57394899,13611884555
地址:上海市金山区廊下镇漕廊公路7515号
关键词:UPVC管材|UPVC管件|UPVC阀门|CPVC管材|CPVC管件|CPVC阀门|SCH80 UPVC管材|SCH80 UPVC管件|ANSI阀门|SCH40 UPVC管材|SCH80 CPVC管材|SCH80 CPVC管件