华球足球 SHANGHAI YOULI WATER-STORING PIPES CO. ,LTD 021-57394889 021-57394899
  • 请选择一级分类
  • 国标GB工业用管道系统
  • 国际GB给水用管道系统
  • 美标ANSI SCH80/40管道系统
  • 膜管及组件系列
  • 电子级水用(洁净型)UPVC管道系统
  • 电力电缆、通讯光缆用保护套管系列
  • SJS双金属复合管
  • 衬塑(ABS)复合钢管系统
  • GB/ANSI 阀门系列
  • 板材焊条 其他配件
  • 容器、槽罐、非标件定制
  • {{item.name}}
  • {{item.name}}
  • {{item.name}}
热门关键词:UPVC管材|UPVC管件|UPVC阀门|CPVC管材|CPVC管件|CPVC阀门|SCH80 UPVC管材|SCH80 UPVC管件|ANSI阀门|SCH40 UPVC管材|SCH80 CPVC管材|SCH80 CPVC管件
CPVC 补芯 PRODUCT
首页 > CPVC 补芯
CPVC 补芯PRODUCT CENTER
CPVC 补芯


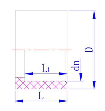
14  补芯.jpg


公称通径

DN

D

dn

L

L1

20✕15

20

25

18.5

16

25✕20

25

32

22

18.5

32✕25

32

40

26

22

40✕32

40

50

31

26

50✕25

32

63

37.5

22

50✕40

50

63

37.5

31

65✕50

63

75

43.5

37.5

80✕65

75

90

51

44

100✕32

40

110

61

26

100✕50

63

110

61

38

100✕80

90

110

61

51

125✕100

110

140

76

61

150✕65

75

160

86

44

150✕100

110

160

86

61

150✕125

140

160

86

76

200✕50

63

225

118

38

200✕100

110

225

118

61

200✕150

160

225

118

86

250✕100

110

280

146

61

250✕150

160

280

146

86

250✕200

225

280

146

118

300✕80

90

315

164

51

300✕250

280

315

164

146

350✕300

315

355

184

164

400✕350

355

400

206

184

单位为毫米


采购:CPVC 补芯*表示必填

华球足球(中国) 阿里巴巴
华球足球(中国)产品 合作代理 最新咨询 工程业绩 技术服务 华球足球(中国)实力 关于华球足球(中国) 联系华球足球(中国)
copyright@2021 华球足球
销售热线:021-57394889,021-57394899,13611884555
地址:上海市金山区廊下镇漕廊公路7515号
关键词:UPVC管材|UPVC管件|UPVC阀门|CPVC管材|CPVC管件|CPVC阀门|SCH80 UPVC管材|SCH80 UPVC管件|ANSI阀门|SCH40 UPVC管材|SCH80 CPVC管材|SCH80 CPVC管件