华球足球 SHANGHAI YOULI WATER-STORING PIPES CO. ,LTD 021-57394889 021-57394899
  • 请选择一级分类
  • 国标GB工业用管道系统
  • 国际GB给水用管道系统
  • 美标ANSI SCH80/40管道系统
  • 膜管及组件系列
  • 电子级水用(洁净型)UPVC管道系统
  • 电力电缆、通讯光缆用保护套管系列
  • SJS双金属复合管
  • 衬塑(ABS)复合钢管系统
  • GB/ANSI 阀门系列
  • 板材焊条 其他配件
  • 容器、槽罐、非标件定制
  • {{item.name}}
  • {{item.name}}
  • {{item.name}}
热门关键词:UPVC管材|UPVC管件|UPVC阀门|CPVC管材|CPVC管件|CPVC阀门|SCH80 UPVC管材|SCH80 UPVC管件|ANSI阀门|SCH40 UPVC管材|SCH80 CPVC管材|SCH80 CPVC管件
CPVC 外螺纹接头 PRODUCT
首页 > CPVC 外螺纹接头
CPVC 外螺纹接头PRODUCT CENTER
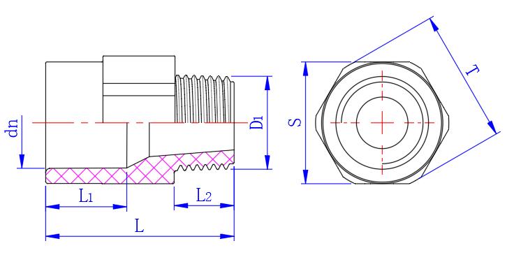
CPVC 外螺纹接头


16  外螺纹接头.jpg


公称通径

DN

dn

D1

S

T

L

L1

L2

15

20

R1/2

27

29.5

42

18

15

20

25

R3/4

36

39.5

49.5

20

16.5

25

32

R1

41

45.5

55

23

19

32

40

R1-1/4

55

63.5

56

28

18

40

50

R1-1/2

65

75

65

32

18

50

63

R2

80.5

92.5

73

38

20

15

20

NPT1/2

27

29.5

41

18

14

20

25

NPT3/4

36

39.5

48

20

14

25

32

NPT1

41

45.5

53

23

17

单位为毫米


采购:CPVC 外螺纹接头*表示必填

华球足球(中国) 阿里巴巴
华球足球(中国)产品 合作代理 最新咨询 工程业绩 技术服务 华球足球(中国)实力 关于华球足球(中国) 联系华球足球(中国)
copyright@2021 华球足球
销售热线:021-57394889,021-57394899,13611884555
地址:上海市金山区廊下镇漕廊公路7515号
关键词:UPVC管材|UPVC管件|UPVC阀门|CPVC管材|CPVC管件|CPVC阀门|SCH80 UPVC管材|SCH80 UPVC管件|ANSI阀门|SCH40 UPVC管材|SCH80 CPVC管材|SCH80 CPVC管件