华球足球
SHANGHAI YOULI WATER-STORING PIPES CO. ,LTD
021-57394889
021-57394899
华球足球(中国)首页
华球足球(中国)产品
关于华球足球(中国)
关于华球足球(中国)
企业文化
代理合作
我们的优势
合作政策
销售网点
华球足球
企业资讯
行业动态
常见问题
工程业绩
华球足球(中国)实力
工厂巡礼
生产设备
研发测试
荣誉资质
客户服务
售前服务
售中服务
售后服务
联系我们
联系方式
电子地图
请选择一级分类
国标GB工业用管道系统
国际GB给水用管道系统
美标ANSI SCH80/40管道系统
膜管及组件系列
电子级水用(洁净型)UPVC管道系统
电力电缆、通讯光缆用保护套管系列
SJS双金属复合管
衬塑(ABS)复合钢管系统
GB/ANSI 阀门系列
板材焊条 其他配件
容器、槽罐、非标件定制
{{item.name}}
{{item.name}}
{{item.name}}
点击搜索
热门关键词:UPVC管材|UPVC管件|UPVC阀门|CPVC管材|CPVC管件|CPVC阀门|SCH80 UPVC管材|SCH80 UPVC管件|ANSI阀门|SCH40 UPVC管材|SCH80 CPVC管材|SCH80 CPVC管件
UPVC 仪表接头
PRODUCT
首页
>
UPVC 仪表接头
UPVC 仪表接头
PRODUCT CENTER
UPVC 仪表接头
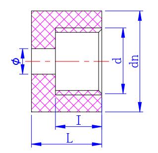
公称外径
dn
Φ
d
L
I
20
6
M14
✕
1.5
16
13
20
6
1/4"
16
13
25
8
M14
✕
1.5
20
13
25
8
1/4"
20
13
32
8
M20
✕
1.5
22
15
32
11.5
1/2"
22
18
单位为毫米
采购:UPVC 仪表接头
*表示必填
姓名:
手机:
邮件:
意见:
重填
提交
上一页
下一页
华球足球(中国)
阿里巴巴
华球足球(中国)产品
合作代理
最新咨询
工程业绩
技术服务
华球足球(中国)实力
关于华球足球(中国)
联系华球足球(中国)
copyright@2021 华球足球
销售热线:021-57394889,021-57394899,13611884555
地址:上海市金山区廊下镇漕廊公路7515号
关键词:UPVC管材|UPVC管件|UPVC阀门|CPVC管材|CPVC管件|CPVC阀门|SCH80 UPVC管材|SCH80 UPVC管件|ANSI阀门|SCH40 UPVC管材|SCH80 CPVC管材|SCH80 CPVC管件
沪ICP备15032784号-1
新利电竞
|
天辰平台网址链接
|
博鱼买球首选
|
线上足球官网
|
心博页面在线登录
|
欧洲杯在线买球网
|
网投平台官网
|
拉菲娱乐
|
火必网
|