华球足球 SHANGHAI YOULI WATER-STORING PIPES CO. ,LTD 021-57394889 021-57394899
  • 请选择一级分类
  • 国标GB工业用管道系统
  • 国际GB给水用管道系统
  • 美标ANSI SCH80/40管道系统
  • 膜管及组件系列
  • 电子级水用(洁净型)UPVC管道系统
  • 电力电缆、通讯光缆用保护套管系列
  • SJS双金属复合管
  • 衬塑(ABS)复合钢管系统
  • GB/ANSI 阀门系列
  • 板材焊条 其他配件
  • 容器、槽罐、非标件定制
  • {{item.name}}
  • {{item.name}}
  • {{item.name}}
热门关键词:UPVC管材|UPVC管件|UPVC阀门|CPVC管材|CPVC管件|CPVC阀门|SCH80 UPVC管材|SCH80 UPVC管件|ANSI阀门|SCH40 UPVC管材|SCH80 CPVC管材|SCH80 CPVC管件
FRP/UPVC 复合法兰 PRODUCT
首页 > FRP/UPVC 复合法兰
FRP/UPVC 复合法兰PRODUCT CENTER
FRP/UPVC 复合法兰


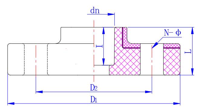
6  复合法兰.jpg


                                       单位为毫米

公称通径

DN

dn

D1

D2

L

I

N-Φ

15

20

95

65

29

24

4-Φ14

20

25

105

75

34

28

4-Φ14

25

32

115

85

37

31

4-Φ14

32

40

140

100

41

35

4-Φ18

40

50

150

110

44

37

4-Φ18

50

63

165

125

48

41

4-Φ18

65

75

185

145

54

46

4-Φ18

80

90

200

160

64

54

8-Φ18

100

110

220

180

74

63

8-Φ18

125

140

250

210

85

75

8-Φ18

150

160

285

240

94

86

8-Φ22

200

225

340

295

126

118

8-Φ22

250

280

395

350

160.5

146

12-Φ22

300

315

445

400

181

163

12-Φ22

350

355

505

460

290

180

16-Φ22

400

400

565

515

320

200

16-Φ26

450

450

615

565

350

230

20-Φ26

500

500

670

620

385

250

20-Φ26

600

630

780

725

450

300

20-Φ30

700

710

895

840

520

310

24-Φ30

800

800

1015

950

550

330

24-Φ33

900

900

1115

1050

620

340

28-Φ33

1000

1000

1230

1160

680

350

28-Φ36

注:复合管件最小总壁厚不得小于同等规格的复合管材最小总壁厚。


采购:FRP/UPVC 复合法兰*表示必填

华球足球(中国) 阿里巴巴
华球足球(中国)产品 合作代理 最新咨询 工程业绩 技术服务 华球足球(中国)实力 关于华球足球(中国) 联系华球足球(中国)
copyright@2021 华球足球
销售热线:021-57394889,021-57394899,13611884555
地址:上海市金山区廊下镇漕廊公路7515号
关键词:UPVC管材|UPVC管件|UPVC阀门|CPVC管材|CPVC管件|CPVC阀门|SCH80 UPVC管材|SCH80 UPVC管件|ANSI阀门|SCH40 UPVC管材|SCH80 CPVC管材|SCH80 CPVC管件