华球足球 SHANGHAI YOULI WATER-STORING PIPES CO. ,LTD 021-57394889 021-57394899
  • 请选择一级分类
  • 国标GB工业用管道系统
  • 国际GB给水用管道系统
  • 美标ANSI SCH80/40管道系统
  • 膜管及组件系列
  • 电子级水用(洁净型)UPVC管道系统
  • 电力电缆、通讯光缆用保护套管系列
  • SJS双金属复合管
  • 衬塑(ABS)复合钢管系统
  • GB/ANSI 阀门系列
  • 板材焊条 其他配件
  • 容器、槽罐、非标件定制
  • {{item.name}}
  • {{item.name}}
  • {{item.name}}
热门关键词:UPVC管材|UPVC管件|UPVC阀门|CPVC管材|CPVC管件|CPVC阀门|SCH80 UPVC管材|SCH80 UPVC管件|ANSI阀门|SCH40 UPVC管材|SCH80 CPVC管材|SCH80 CPVC管件
洁净型UPVC 活套法兰 PRODUCT
首页 > 洁净型UPVC 活套法兰
洁净型UPVC 活套法兰PRODUCT CENTER
洁净型UPVC 活套法兰


6  活套法兰.jpg


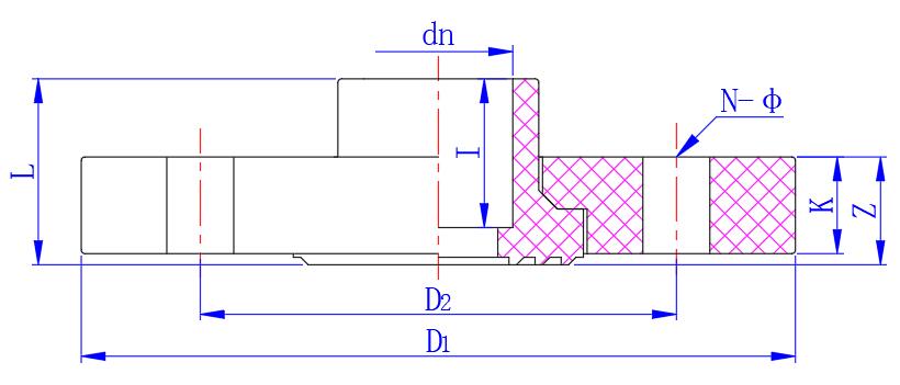
公称通径

DN

dn

D1

D2

I

L

K

Z

N-Φ

15

20

95

65

19

24

14

15.5

4-Φ14

20

25

105

75

22

27

16

18

4-Φ14

25

32

115

85

25

32

17

19

4-Φ14

32

40

140

100

28

34

18

20

4-Φ18

40

50

150

110

32

38

19

21

4-Φ18

50

63

165

125

38

45

20

22

4-Φ18

65

75

185

145

44

52

22

24

4-Φ18

80

90

200

160

51.5

60

24

27

8-Φ18

100

110

220

180

61

71

26

29

8-Φ18

125

140

250

210

77

86

33

37.5

8-Φ18

150

160

285

240

86

97

34

39.5

8-Φ22

200

225

340

295

119

129

35

40

8-Φ22

200

225

340

295

119

129

35

40

12-Φ22

250

280

400

350

145.5

158

40

48

12-Φ22

300

315

445

400

169.5

184

50

52

12-Φ22

单位为毫米


采购:洁净型UPVC 活套法兰*表示必填

华球足球(中国) 阿里巴巴
华球足球(中国)产品 合作代理 最新咨询 工程业绩 技术服务 华球足球(中国)实力 关于华球足球(中国) 联系华球足球(中国)
copyright@2021 华球足球
销售热线:021-57394889,021-57394899,13611884555
地址:上海市金山区廊下镇漕廊公路7515号
关键词:UPVC管材|UPVC管件|UPVC阀门|CPVC管材|CPVC管件|CPVC阀门|SCH80 UPVC管材|SCH80 UPVC管件|ANSI阀门|SCH40 UPVC管材|SCH80 CPVC管材|SCH80 CPVC管件