华球足球 SHANGHAI YOULI WATER-STORING PIPES CO. ,LTD 021-57394889 021-57394899
  • 请选择一级分类
  • 国标GB工业用管道系统
  • 国际GB给水用管道系统
  • 美标ANSI SCH80/40管道系统
  • 膜管及组件系列
  • 电子级水用(洁净型)UPVC管道系统
  • 电力电缆、通讯光缆用保护套管系列
  • SJS双金属复合管
  • 衬塑(ABS)复合钢管系统
  • GB/ANSI 阀门系列
  • 板材焊条 其他配件
  • 容器、槽罐、非标件定制
  • {{item.name}}
  • {{item.name}}
  • {{item.name}}
热门关键词:UPVC管材|UPVC管件|UPVC阀门|CPVC管材|CPVC管件|CPVC阀门|SCH80 UPVC管材|SCH80 UPVC管件|ANSI阀门|SCH40 UPVC管材|SCH80 CPVC管材|SCH80 CPVC管件
CPVC ANSI 一体法兰 PRODUCT
首页 > CPVC ANSI 一体法兰
CPVC ANSI 一体法兰PRODUCT CENTER
CPVC ANSI 一体法兰


ANSI一体法兰.jpg

 

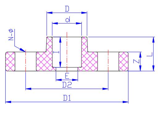
Size

D

d

I

E

Z

L

D1

D2

N-Φ

1/2"

29.5

21.54

22

16

14

25

90

60.5

4-16

3/4"

35

26.87

25.5

21

15

28.5

100

70

4-16

1"

43

33.65

28.5

27

16

32

110

79.5

4-16

14分之1.png"

52.5

42.42

32

35

17

35

120

89

4-16

12分之1.png"

60

48.56

37

43

18

40

130

98.5

4-16

2"

74

60.63

38

55

20

44

152

120.5

4-18

22分之1.png"

89

73.38

47

67

22

55

180

139.7

4-19

3"

106

89.31

50

82

24

60

192

152.4

4-19

4"

132

114.76

60

102

26

70

230

190.5

8-19

5"

162

141.81

70

130

28

80

260

215.9

8-22

6"

191

168.83

80

156

32

90

285

241.3

8-22

8"

246

219.84

105

204

35

118

345

298.5

8-22

单位为毫米


采购:CPVC ANSI 一体法兰*表示必填

华球足球(中国) 阿里巴巴
华球足球(中国)产品 合作代理 最新咨询 工程业绩 技术服务 华球足球(中国)实力 关于华球足球(中国) 联系华球足球(中国)
copyright@2021 华球足球
销售热线:021-57394889,021-57394899,13611884555
地址:上海市金山区廊下镇漕廊公路7515号
关键词:UPVC管材|UPVC管件|UPVC阀门|CPVC管材|CPVC管件|CPVC阀门|SCH80 UPVC管材|SCH80 UPVC管件|ANSI阀门|SCH40 UPVC管材|SCH80 CPVC管材|SCH80 CPVC管件