华球足球 SHANGHAI YOULI WATER-STORING PIPES CO. ,LTD 021-57394889 021-57394899
  • 请选择一级分类
  • 国标GB工业用管道系统
  • 国际GB给水用管道系统
  • 美标ANSI SCH80/40管道系统
  • 膜管及组件系列
  • 电子级水用(洁净型)UPVC管道系统
  • 电力电缆、通讯光缆用保护套管系列
  • SJS双金属复合管
  • 衬塑(ABS)复合钢管系统
  • GB/ANSI 阀门系列
  • 板材焊条 其他配件
  • 容器、槽罐、非标件定制
  • {{item.name}}
  • {{item.name}}
  • {{item.name}}
热门关键词:UPVC管材|UPVC管件|UPVC阀门|CPVC管材|CPVC管件|CPVC阀门|SCH80 UPVC管材|SCH80 UPVC管件|ANSI阀门|SCH40 UPVC管材|SCH80 CPVC管材|SCH80 CPVC管件
CPVC ANSI转换法兰 PRODUCT
首页 > CPVC ANSI转换法兰
CPVC ANSI转换法兰PRODUCT CENTER
CPVC ANSI转换法兰

ANSI一体法兰.jpg


GB/ANSI

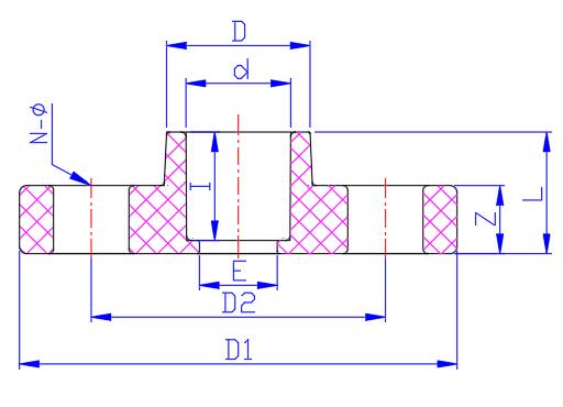
D

d

I

E

Z

L

d1

d2

N-Φ

DN15-1/2"

29.5

20

20

16

14

25

90

60.5

4-16

DN20-3/4"

35

25

24

21

15

28.5

100

70

4-16

DN25-1"

43

32

27

27

16

32

110

79.5

4-16

DN32-14分之1.png"

52.5

40

30

35

17

35

120

89

4-16

DN40-12分之1.png"

60

50

35

43

18

40

130

98.5

4-16

DN50-2"

74

63

38

55

20

44

152

120.5

4-18

DN65-22分之1.png"

89

75

47

67

22

55

180

139.7

4-19

DN80-3"

106

90

51

82

24

60

192

152.4

4-19

DN100-4"

132

110

61

102

26

70

230

190.5

8-19

DN125-5"

162

140

76

130

28

80

260

215.9

8-22

DN150-6"

191

160

86

156

32

90

285

241.3

8-22

DN200-8"

246

225

110

204

35

118

345

298.5

8-22

单位为毫米

采购:CPVC ANSI转换法兰*表示必填

华球足球(中国) 阿里巴巴
华球足球(中国)产品 合作代理 最新咨询 工程业绩 技术服务 华球足球(中国)实力 关于华球足球(中国) 联系华球足球(中国)
copyright@2021 华球足球
销售热线:021-57394889,021-57394899,13611884555
地址:上海市金山区廊下镇漕廊公路7515号
关键词:UPVC管材|UPVC管件|UPVC阀门|CPVC管材|CPVC管件|CPVC阀门|SCH80 UPVC管材|SCH80 UPVC管件|ANSI阀门|SCH40 UPVC管材|SCH80 CPVC管材|SCH80 CPVC管件