华球足球 SHANGHAI YOULI WATER-STORING PIPES CO. ,LTD 021-57394889 021-57394899
  • 请选择一级分类
  • 国标GB工业用管道系统
  • 国际GB给水用管道系统
  • 美标ANSI SCH80/40管道系统
  • 膜管及组件系列
  • 电子级水用(洁净型)UPVC管道系统
  • 电力电缆、通讯光缆用保护套管系列
  • SJS双金属复合管
  • 衬塑(ABS)复合钢管系统
  • GB/ANSI 阀门系列
  • 板材焊条 其他配件
  • 容器、槽罐、非标件定制
  • {{item.name}}
  • {{item.name}}
  • {{item.name}}
热门关键词:UPVC管材|UPVC管件|UPVC阀门|CPVC管材|CPVC管件|CPVC阀门|SCH80 UPVC管材|SCH80 UPVC管件|ANSI阀门|SCH40 UPVC管材|SCH80 CPVC管材|SCH80 CPVC管件
UPVC SCH80补芯 PRODUCT
首页 > UPVC SCH80补芯
UPVC SCH80补芯PRODUCT CENTER
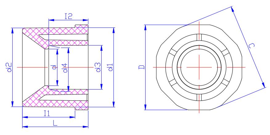
UPVC SCH80补芯


SCH80闷盖 (2).jpg


Size

D

C

d

d1

d2

d3

d4

I1

I2

L

3/4"✕1/2"

32

33

17

26.87

26.57

21.54

21.23

27

24

32

1"✕1/2"

38

39

17

33.65

33.27

21.54

21.23

30

24

36

1"✕3/4"

38

39

22

33.65

33.27

26.87

26.57

30

27

36

14分之1.png"✕1/2"

50

52

17

42.42

42.04

21.54

21.23

34

24

42

14分之1.png"✕3/4"

50

52

22

42.42

42.04

26.87

26.57

34

27

42

14分之1.png"✕1"

50

52

29

42.42

42.04

33.65

33.27

34

30

42

12分之1.png"✕1/2"

55

58

17

48.56

48.11

21.54

21.23

37

24

45

12分之1.png"✕3/4"

55

58

22

48.56

48.11

26.87

26.57

37

27

45

12分之1.png"✕1"

55

58

28

48.56

48.11

33.65

33.27

37

30

45

12分之1.png"✕14分之1.png"

55

58

35

48.56

48.11

42.42

42.04

37

34

45

2"✕1/2"

65

67

17

60.63

60.17

21.54

21.23

40

24

50

2"✕3/4"

65

67

22

60.63

60.17

26.87

26.57

40

27

50

2"✕1"

65

67

28

60.63

60.17

33.65

33.27

40

30

50

2"✕14分之1.png"

65

67

35

60.63

60.17

42.42

42.04

40

34

50

2"✕12分之1.png"

65

67

40

60.63

60.17

48.56

48.11

40

37

50

22分之1.png"✕12分之1.png"

80

84

40

73.38

72.85

48.56

48.11

47

37

59

22分之1.png"✕2"

80

84

52

73.38

72.85

60.63

60.17

47

40

59

3"✕12分之1.png"

100

105

42

89.31

88.70

48.56

48.11

50

37

64

3"✕2"

100

105

54

89.31

88.70

60.63

60.17

50

40

64

3"✕22分之1.png"

100

105

65

89.31

88.70

73.38

72.85

50

47

64

4"✕2"

124

131

54

114.76

114.10

60.63

60.17

60

40

74

4"✕22分之1.png"

124

131

65

114.76

114.10

73.38

72.85

60

47

74

4"✕3"

124

131

80

114.76

114.10

89.31

88.70

60

50

74

5"✕3"

145

149

80

141.81

141.00

89.31

88.70

70

50

85

5"✕4"

145

149

100

141.81

141.00

114.76

114.10

70

60

85

6"✕3"

180

190

80

168.83

168.00

89.31

88.70

80

50

97

6"✕4"

180

190

106

168.83

168.00

114.76

114.10

80

60

97

6"✕5"

180

190

133

168.83

168.00

141.81

141.00

80

70

97

8"✕4"

235

245

100

219.84

218.7

114.76

114.10

105

60

122

8"✕5"

235

245

125

219.84

218.7

141.81

141.00

105

70

122

8"✕6"

235

245

152

219.84

218.7

168.83

168.00

105

80

122

单位为毫米


采购:UPVC SCH80补芯*表示必填

华球足球(中国) 阿里巴巴
华球足球(中国)产品 合作代理 最新咨询 工程业绩 技术服务 华球足球(中国)实力 关于华球足球(中国) 联系华球足球(中国)
copyright@2021 华球足球
销售热线:021-57394889,021-57394899,13611884555
地址:上海市金山区廊下镇漕廊公路7515号
关键词:UPVC管材|UPVC管件|UPVC阀门|CPVC管材|CPVC管件|CPVC阀门|SCH80 UPVC管材|SCH80 UPVC管件|ANSI阀门|SCH40 UPVC管材|SCH80 CPVC管材|SCH80 CPVC管件