华球足球 SHANGHAI YOULI WATER-STORING PIPES CO. ,LTD 021-57394889 021-57394899
  • 请选择一级分类
  • 国标GB工业用管道系统
  • 国际GB给水用管道系统
  • 美标ANSI SCH80/40管道系统
  • 膜管及组件系列
  • 电子级水用(洁净型)UPVC管道系统
  • 电力电缆、通讯光缆用保护套管系列
  • SJS双金属复合管
  • 衬塑(ABS)复合钢管系统
  • GB/ANSI 阀门系列
  • 板材焊条 其他配件
  • 容器、槽罐、非标件定制
  • {{item.name}}
  • {{item.name}}
  • {{item.name}}
热门关键词:UPVC管材|UPVC管件|UPVC阀门|CPVC管材|CPVC管件|CPVC阀门|SCH80 UPVC管材|SCH80 UPVC管件|ANSI阀门|SCH40 UPVC管材|SCH80 CPVC管材|SCH80 CPVC管件
CPVC SCH80 NPT外丝 PRODUCT
首页 > CPVC SCH80 NPT外丝
CPVC SCH80 NPT外丝PRODUCT CENTER
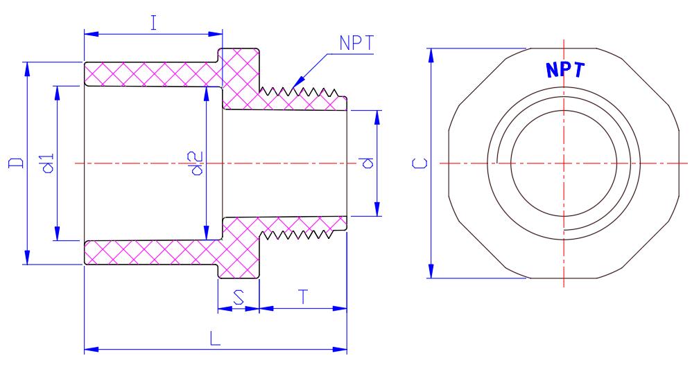
CPVC SCH80 NPT外丝


NPT外丝.jpg


Size

C

D

d

d1

d2

I

S

T

L

NPT

1/2"

36

30

13

21.54

21.23

24

8.5

15

45.5

1/2"

3/4"

40

35

16.5

26.87

26.57

27

9

16

51

3/4"

1"

50

44

23

33.65

33.27

30

9

19

57

1"

14分之1.png"

60

54

29

42.42

42.04

34

9

20

62

14分之1.png"

12分之1.png"

65

61

36

48.56

48.11

37

9

21

66

12分之1.png"

2"

80

74

46

60.63

60.17

40

10

25

75

2"

22分之1.png"

95

88

56

 73.38

 72.85

47

12

30

88

 22分之1.png"

3"

115

105

71

89.31

88.70

50

14

33

95

3"

4"

145

132

95

114.76

114.1

60

14

39

110

4"

单位为毫米


采购:CPVC SCH80 NPT外丝*表示必填

华球足球(中国) 阿里巴巴
华球足球(中国)产品 合作代理 最新咨询 工程业绩 技术服务 华球足球(中国)实力 关于华球足球(中国) 联系华球足球(中国)
copyright@2021 华球足球
销售热线:021-57394889,021-57394899,13611884555
地址:上海市金山区廊下镇漕廊公路7515号
关键词:UPVC管材|UPVC管件|UPVC阀门|CPVC管材|CPVC管件|CPVC阀门|SCH80 UPVC管材|SCH80 UPVC管件|ANSI阀门|SCH40 UPVC管材|SCH80 CPVC管材|SCH80 CPVC管件