华球足球 SHANGHAI YOULI WATER-STORING PIPES CO. ,LTD 021-57394889 021-57394899
  • 请选择一级分类
  • 国标GB工业用管道系统
  • 国际GB给水用管道系统
  • 美标ANSI SCH80/40管道系统
  • 膜管及组件系列
  • 电子级水用(洁净型)UPVC管道系统
  • 电力电缆、通讯光缆用保护套管系列
  • SJS双金属复合管
  • 衬塑(ABS)复合钢管系统
  • GB/ANSI 阀门系列
  • 板材焊条 其他配件
  • 容器、槽罐、非标件定制
  • {{item.name}}
  • {{item.name}}
  • {{item.name}}
热门关键词:UPVC管材|UPVC管件|UPVC阀门|CPVC管材|CPVC管件|CPVC阀门|SCH80 UPVC管材|SCH80 UPVC管件|ANSI阀门|SCH40 UPVC管材|SCH80 CPVC管材|SCH80 CPVC管件
UPVC GB NPT外丝 PRODUCT
首页 > UPVC GB NPT外丝
UPVC GB NPT外丝PRODUCT CENTER
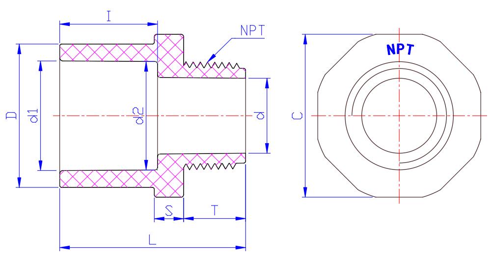
UPVC GB NPT外丝


NPT外丝.jpg


Size

C

D

d

d1

d2

I

S

T

L

NPT

DN15

36

30

13

20.3

20

24

8.5

15

45.5

1/2"

DN20

40

35

16.5

25.3

25

27

9

16

51

3/4"

DN25

50

44

23

32.3

32

30

9

19

57

1"

DN32

60

54

29

40.3

40

34

9

20

62

14分之1.png"

DN40

65

61

36

50.3

50

37

9

21

66

12分之1.png"

DN50

80

74

46

63.3

63

40

10

25

75

2"

DN65

95

88

56

75.3

75

47

12

30

88

 22分之1.png"

DN80

115

105

71

90.3

90

51

14

33

95

3"

DN100

145

132

95

110.4

110

61

14

39

110

4"

单位为毫米


采购:UPVC GB NPT外丝*表示必填

华球足球(中国) 阿里巴巴
华球足球(中国)产品 合作代理 最新咨询 工程业绩 技术服务 华球足球(中国)实力 关于华球足球(中国) 联系华球足球(中国)
copyright@2021 华球足球
销售热线:021-57394889,021-57394899,13611884555
地址:上海市金山区廊下镇漕廊公路7515号
关键词:UPVC管材|UPVC管件|UPVC阀门|CPVC管材|CPVC管件|CPVC阀门|SCH80 UPVC管材|SCH80 UPVC管件|ANSI阀门|SCH40 UPVC管材|SCH80 CPVC管材|SCH80 CPVC管件