华球足球 SHANGHAI YOULI WATER-STORING PIPES CO. ,LTD 021-57394889 021-57394899
  • 请选择一级分类
  • 国标GB工业用管道系统
  • 国际GB给水用管道系统
  • 美标ANSI SCH80/40管道系统
  • 膜管及组件系列
  • 电子级水用(洁净型)UPVC管道系统
  • 电力电缆、通讯光缆用保护套管系列
  • SJS双金属复合管
  • 衬塑(ABS)复合钢管系统
  • GB/ANSI 阀门系列
  • 板材焊条 其他配件
  • 容器、槽罐、非标件定制
  • {{item.name}}
  • {{item.name}}
  • {{item.name}}
热门关键词:UPVC管材|UPVC管件|UPVC阀门|CPVC管材|CPVC管件|CPVC阀门|SCH80 UPVC管材|SCH80 UPVC管件|ANSI阀门|SCH40 UPVC管材|SCH80 CPVC管材|SCH80 CPVC管件
150 PSI 电动蝶阀 PRODUCT
首页 > 150 PSI 电动蝶阀
150 PSI 电动蝶阀PRODUCT CENTER
150 PSI 电动蝶阀


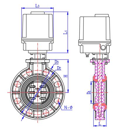
150PSI 电动蝶阀.jpg


Size

D1

D2

D3

N-Φ

L

L3

L4

H

2"

48

121

160

4-19

43

118

145

100

22分之1.png"

63

140

181

4-19

46

118

145

112

3"

78

152

196

4-19

49

118

145

120

4"

98

191

230

8-19

54

118

185

140

5"

122

216

260

8-19

64

118

185

165

6"

146

241

288

8-23

70

165

198

180

8"

199

298

344

8-23

88

165

198

215

10"

246

362

412

12-23

98

165

280

260

12"

296

432

487

12-23

108

165

280

285

14"

328

476

512

12-29

125

165

280

310

16"

382

540

598

16-29

140

240

290

350

单位为毫米


采购:150 PSI 电动蝶阀*表示必填

华球足球(中国) 阿里巴巴
华球足球(中国)产品 合作代理 最新咨询 工程业绩 技术服务 华球足球(中国)实力 关于华球足球(中国) 联系华球足球(中国)
copyright@2021 华球足球
销售热线:021-57394889,021-57394899,13611884555
地址:上海市金山区廊下镇漕廊公路7515号
关键词:UPVC管材|UPVC管件|UPVC阀门|CPVC管材|CPVC管件|CPVC阀门|SCH80 UPVC管材|SCH80 UPVC管件|ANSI阀门|SCH40 UPVC管材|SCH80 CPVC管材|SCH80 CPVC管件