华球足球 SHANGHAI YOULI WATER-STORING PIPES CO. ,LTD 021-57394889 021-57394899
  • 请选择一级分类
  • 国标GB工业用管道系统
  • 国际GB给水用管道系统
  • 美标ANSI SCH80/40管道系统
  • 膜管及组件系列
  • 电子级水用(洁净型)UPVC管道系统
  • 电力电缆、通讯光缆用保护套管系列
  • SJS双金属复合管
  • 衬塑(ABS)复合钢管系统
  • GB/ANSI 阀门系列
  • 板材焊条 其他配件
  • 容器、槽罐、非标件定制
  • {{item.name}}
  • {{item.name}}
  • {{item.name}}
热门关键词:UPVC管材|UPVC管件|UPVC阀门|CPVC管材|CPVC管件|CPVC阀门|SCH80 UPVC管材|SCH80 UPVC管件|ANSI阀门|SCH40 UPVC管材|SCH80 CPVC管材|SCH80 CPVC管件
CPVC 异径三通(冷热水用) PRODUCT
首页 > CPVC 异径三通(冷热水用)
CPVC 异径三通(冷热水用)PRODUCT CENTER
CPVC 异径三通(冷热水用)


5 冷热水 异径三通.jpg


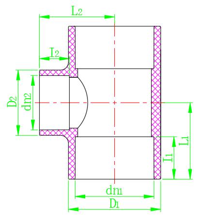
公称通径

DN

dn1

dn2

I1

I2

L1

L2

2015

25

20

19

16

31

30.5

2515

32

20

30.5

24

49

45

2520

32

25

23

19

38.5

37.5

3220

40

25

26

19

42

41.5

3225

40

32

26

22

45.5

45

4020

50

25

32

19

49

47

4025

50

32

32

23

52

51

4032

50

40

32

26

56

54.5

5020

63

25

39

19

57

54

5025

63

32

39

23

60

58

5032

63

40

39

26

64

61.5

5040

63

50

39

32

69

68

6525

75

32

44

23

65

68

6532

75

40

44

26

70.5

69

6540

75

50

44

32

76.5

77

6550

75

63

44

39

82

83

8025

90

32

51

23

83.5

77

8040

90

50

51

32

83.5

85

10050

110

63

62

39

123

109

10065

110

75

62

44

115

105

10080

110

90

62

52

115

115

12565

140

75

76.5

45

123

125

15080

160

90

86

51

145

143

150100

160

110

86

61

165

150

150125

160

140

86

76

165

165

单位为毫米


采购:CPVC 异径三通(冷热水用)*表示必填

华球足球(中国) 阿里巴巴
华球足球(中国)产品 合作代理 最新咨询 工程业绩 技术服务 华球足球(中国)实力 关于华球足球(中国) 联系华球足球(中国)
copyright@2021 华球足球
销售热线:021-57394889,021-57394899,13611884555
地址:上海市金山区廊下镇漕廊公路7515号
关键词:UPVC管材|UPVC管件|UPVC阀门|CPVC管材|CPVC管件|CPVC阀门|SCH80 UPVC管材|SCH80 UPVC管件|ANSI阀门|SCH40 UPVC管材|SCH80 CPVC管材|SCH80 CPVC管件