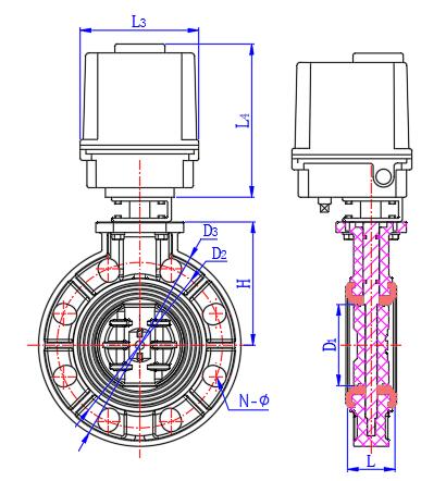
Size | D1 | D2 | D3 | N-Φ | L | L3 | L4 | H |
2" | 48 | 121 | 160 | 4-19 | 43 | 118 | 145 | 100 |
2 | 63 | 140 | 181 | 4-19 | 46 | 118 | 145 | 112 |
3" | 78 | 152 | 196 | 4-19 | 49 | 118 | 145 | 120 |
4" | 98 | 191 | 230 | 8-19 | 54 | 118 | 185 | 140 |
5" | 122 | 216 | 260 | 8-19 | 64 | 118 | 185 | 165 |
6" | 146 | 241 | 288 | 8-23 | 70 | 165 | 198 | 180 |
8" | 199 | 298 | 344 | 8-23 | 88 | 165 | 198 | 215 |
10" | 246 | 362 | 412 | 12-23 | 98 | 165 | 280 | 260 |
12" | 296 | 432 | 487 | 12-23 | 108 | 165 | 280 | 285 |
14" | 328 | 476 | 512 | 12-29 | 125 | 165 | 280 | 310 |
16" | 382 | 540 | 598 | 16-29 | 140 | 240 | 290 | 350 |
单位为毫米 |