华球足球 SHANGHAI YOULI WATER-STORING PIPES CO. ,LTD 021-57394889 021-57394899
  • 请选择一级分类
  • 国标GB工业用管道系统
  • 国际GB给水用管道系统
  • 美标ANSI SCH80/40管道系统
  • 膜管及组件系列
  • 电子级水用(洁净型)UPVC管道系统
  • 电力电缆、通讯光缆用保护套管系列
  • SJS双金属复合管
  • 衬塑(ABS)复合钢管系统
  • GB/ANSI 阀门系列
  • 板材焊条 其他配件
  • 容器、槽罐、非标件定制
  • {{item.name}}
  • {{item.name}}
  • {{item.name}}
热门关键词:UPVC管材|UPVC管件|UPVC阀门|CPVC管材|CPVC管件|CPVC阀门|SCH80 UPVC管材|SCH80 UPVC管件|ANSI阀门|SCH40 UPVC管材|SCH80 CPVC管材|SCH80 CPVC管件
CPVC 大小头 PRODUCT
首页 > CPVC 大小头
CPVC 大小头PRODUCT CENTER
CPVC 大小头


10  大小头.jpg

 

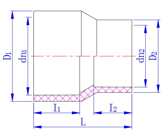
公称通径

DN

dn1

dn2

D1

D2

I1

I2

L

20✕15

25

20

32

25.5

18.5

16

39.5

25✕20

32

25

39.5

32

22

18.5

47

32✕25

40

32

48

39.5

26

22

55.5

40✕32

50

40

59

48

31

26

66.5

50✕25

63

32

73.5

40.5

37.5

22

74.5

50✕40

63

50

73.5

59

37.5

31

80

65✕50

75

63

90

75

44

38

109

80✕50

90

63

107

79.5

52

39

117

80✕65

90

75

105.5

89.5

51

44

126

100✕50

110

63

128.5

79.5

62

39

121

100✕80

110

90

128

106

61.5

51

150

125✕100

140

110

162.5

130.5

78.5

60

160

150✕100

160

110

183.5

130

85.5

60.5

166

150✕125

160

140

183.5

164

85

76

190

dn200✕160

200

160

220

176

108

87

222

200✕150

225

160

251

192

111

85.5

230

dn250✕160

250

160

272

177

131.5

86

273

250✕200

280

225

312

254

140

120

280

dn250✕200

250

200

272

218

131.5

107

272

300✕250

315

280

344

308

163

146

338

350✕300

355

315

386

344

184

164

383

400✕300

400

315

446

360

177

144.5

371

单位为毫米


采购:CPVC 大小头*表示必填

华球足球(中国) 阿里巴巴
华球足球(中国)产品 合作代理 最新咨询 工程业绩 技术服务 华球足球(中国)实力 关于华球足球(中国) 联系华球足球(中国)
copyright@2021 华球足球
销售热线:021-57394889,021-57394899,13611884555
地址:上海市金山区廊下镇漕廊公路7515号
关键词:UPVC管材|UPVC管件|UPVC阀门|CPVC管材|CPVC管件|CPVC阀门|SCH80 UPVC管材|SCH80 UPVC管件|ANSI阀门|SCH40 UPVC管材|SCH80 CPVC管材|SCH80 CPVC管件