华球足球 SHANGHAI YOULI WATER-STORING PIPES CO. ,LTD 021-57394889 021-57394899
  • 请选择一级分类
  • 国标GB工业用管道系统
  • 国际GB给水用管道系统
  • 美标ANSI SCH80/40管道系统
  • 膜管及组件系列
  • 电子级水用(洁净型)UPVC管道系统
  • 电力电缆、通讯光缆用保护套管系列
  • SJS双金属复合管
  • 衬塑(ABS)复合钢管系统
  • GB/ANSI 阀门系列
  • 板材焊条 其他配件
  • 容器、槽罐、非标件定制
  • {{item.name}}
  • {{item.name}}
  • {{item.name}}
热门关键词:UPVC管材|UPVC管件|UPVC阀门|CPVC管材|CPVC管件|CPVC阀门|SCH80 UPVC管材|SCH80 UPVC管件|ANSI阀门|SCH40 UPVC管材|SCH80 CPVC管材|SCH80 CPVC管件
UPVC SCH80直通 PRODUCT
首页 > UPVC SCH80直通
UPVC SCH80直通PRODUCT CENTER
UPVC SCH80直通


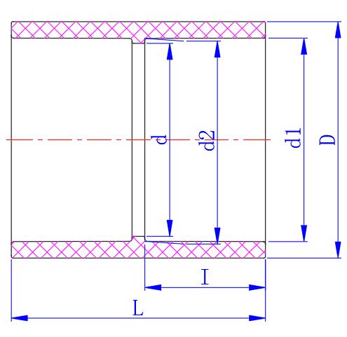
SCH80直通.jpg


Size

D

d

d1

d2

I

L

1/2"

29.5

17

21.54

21.23

24

52

3/4"

35.5

22

26.87

26.57

27.5

60

1"

45

29

33.65

33.27

30.5

67

14分之1.png"

54

38

42.42

42.04

34

75

12分之1.png"

59

44

48.56

48.11

37

78

2"

72

55

60.63

60.17

40

85

22分之1.png"

88

67

73.38

72.85

47

100

3"

105

82

89.31

88.70

50

107

4"

132

106

114.76

114.1

60

135

5"

162

133

141.81

141.0

70

150

6"

191

160

168.83

168.0

80

170

8"

246

210

219.84

218.7

105

220

单位为毫米


采购:UPVC SCH80直通*表示必填

华球足球(中国) 阿里巴巴
华球足球(中国)产品 合作代理 最新咨询 工程业绩 技术服务 华球足球(中国)实力 关于华球足球(中国) 联系华球足球(中国)
copyright@2021 华球足球
销售热线:021-57394889,021-57394899,13611884555
地址:上海市金山区廊下镇漕廊公路7515号
关键词:UPVC管材|UPVC管件|UPVC阀门|CPVC管材|CPVC管件|CPVC阀门|SCH80 UPVC管材|SCH80 UPVC管件|ANSI阀门|SCH40 UPVC管材|SCH80 CPVC管材|SCH80 CPVC管件