华球足球 SHANGHAI YOULI WATER-STORING PIPES CO. ,LTD 021-57394889 021-57394899
  • 请选择一级分类
  • 国标GB工业用管道系统
  • 国际GB给水用管道系统
  • 美标ANSI SCH80/40管道系统
  • 膜管及组件系列
  • 电子级水用(洁净型)UPVC管道系统
  • 电力电缆、通讯光缆用保护套管系列
  • SJS双金属复合管
  • 衬塑(ABS)复合钢管系统
  • GB/ANSI 阀门系列
  • 板材焊条 其他配件
  • 容器、槽罐、非标件定制
  • {{item.name}}
  • {{item.name}}
  • {{item.name}}
热门关键词:UPVC管材|UPVC管件|UPVC阀门|CPVC管材|CPVC管件|CPVC阀门|SCH80 UPVC管材|SCH80 UPVC管件|ANSI阀门|SCH40 UPVC管材|SCH80 CPVC管材|SCH80 CPVC管件
G41X-10S I型法兰式隔膜阀 PRODUCT
首页 > G41X-10S I型法兰式隔膜阀
G41X-10S I型法兰式隔膜阀PRODUCT CENTER
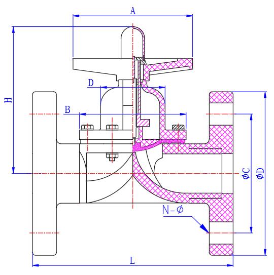
G41X-10S I型法兰式隔膜阀


I型法兰式隔膜阀.jpg

 

公称通径

DN

A

B

D

L

H

ΦC

ΦD

N-Φ

15

57

47

39

110.5

75

65

95

4-Φ14

20

69

59

49

124

102

75

105

4-Φ14

25

87

65

63

145

120

85

115

4-Φ14

32

95

81

75

166.5

130

100

140

4-Φ18

40

115

95

85

194

160

110

150

4-Φ18

50

130

109

110

235.5

160

125

165

4-Φ18

65

200

185

115

304

245

145

185

4-Φ18

80

226

235

150

370

280

160

200

8-Φ18

100

290

260

211

406

340

180

220

8-Φ18

125

318

300

245

398

420

210

250

8-Φ18

150

400

360

290

572

465

240

285

8-Φ22

单位为毫米 


采购:G41X-10S I型法兰式隔膜阀*表示必填

华球足球(中国) 阿里巴巴
华球足球(中国)产品 合作代理 最新咨询 工程业绩 技术服务 华球足球(中国)实力 关于华球足球(中国) 联系华球足球(中国)
copyright@2021 华球足球
销售热线:021-57394889,021-57394899,13611884555
地址:上海市金山区廊下镇漕廊公路7515号
关键词:UPVC管材|UPVC管件|UPVC阀门|CPVC管材|CPVC管件|CPVC阀门|SCH80 UPVC管材|SCH80 UPVC管件|ANSI阀门|SCH40 UPVC管材|SCH80 CPVC管材|SCH80 CPVC管件