华球足球 SHANGHAI YOULI WATER-STORING PIPES CO. ,LTD 021-57394889 021-57394899
  • 请选择一级分类
  • 国标GB工业用管道系统
  • 国际GB给水用管道系统
  • 美标ANSI SCH80/40管道系统
  • 膜管及组件系列
  • 电子级水用(洁净型)UPVC管道系统
  • 电力电缆、通讯光缆用保护套管系列
  • SJS双金属复合管
  • 衬塑(ABS)复合钢管系统
  • GB/ANSI 阀门系列
  • 板材焊条 其他配件
  • 容器、槽罐、非标件定制
  • {{item.name}}
  • {{item.name}}
  • {{item.name}}
热门关键词:UPVC管材|UPVC管件|UPVC阀门|CPVC管材|CPVC管件|CPVC阀门|SCH80 UPVC管材|SCH80 UPVC管件|ANSI阀门|SCH40 UPVC管材|SCH80 CPVC管材|SCH80 CPVC管件
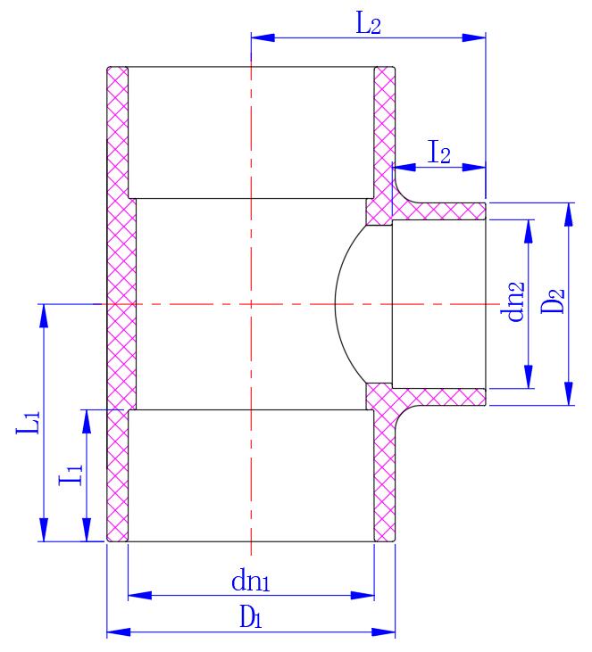
给水用UPVC 异径三通 PRODUCT
首页 > 给水用UPVC 异径三通
给水用UPVC 异径三通PRODUCT CENTER
给水用UPVC 异径三通


5  异径三通.jpg


公称通径

DN

dn1

dn2

D1

D2

I1

I2

L1

L2

20×15

25

20

31

25

19

16

31

30.5

25×15

32

20

39.5

25

23

16

35

34

25×20

32

25

39.5

32

23

19

38.5

37.5

32×20

40

25

49

32

26

19

42

41.5

32×25

40

32

49

39.5

26

22

45.5

45

40×20

50

25

60.5

31

32

19

49

47

40×25

50

32

60.5

39.5

32

23

52

51

40×32

50

40

60.5

49

32

26

56

54.5

50×20

63

25

76.5

33

39

19

57

54

50×25

63

32

76.5

42

39

23

60

58

50×32

63

40

76.5

49

39

26

64

61.5

50×40

63

50

76.5

60.5

39

32

69

68

65×25

75

32

90

40

44

23

65

68

65×32

75

40

91

51

44

26

70.5

69

65×40

75

50

90

63

44

32

76.5

77

65×50

75

63

91

76.5

44

39

82

83

80×25

90

32

106.5

40

51

23

77.5

77

80×40

90

50

106.5

60.5

51

32

89

85

100×50

110

63

128

77

61

38

106

105

100×65

110

75

127

88

62

44

115

105

100×80

110

90

127

104

62

52

115

115

125×65

140

75

162

90

76

45

123

125

150×80

160

90

184

106.5

86

51

145

143

150×100

160

110

185

127

86

61

165

150

150×125

160

140

185

162

86

76

165

165

dn200×110

200

110

218

121

107

62.5

163

167

200×100

225

110

254

132.5

119

61

213

180

200×125

225

140

254

164

119

76

213

201.5

200×150

225

160

254

188

119

86

213

211.5

dn250×110

250

110

272

126

132

63

189

192

250×100

280

110

309

163.5

146

61

290

246

250×125

280

140

309

163.5

146

76

290

246

dn250×160

250

160

272

177

132

88

214

220

250×150

280

160

309

185

146

86

290

256

dn250×200

250

200

272

218

131.5

107

235

240

250×200

280

225

309

309

146

119

275

275

300×100

315

110

346

248

163.5

61

325.5

308

300×150

315

160

346

248

163.5

86

325.5

308

300×200

315

225

346

248

163.5

119

325.5

308

300×250

315

280

346

346

164

146

325.5

325.5

 350×200*

355

225

386

252

184.5

119

312.5

295

350×200

355

225

392

255

180

120

375

380

350×250

355

280

392

310

180

146

405

410

 350×300*

355

315

386

344

185

165

346.5

342

350×300

355

315

392

350

180

164

420

425

 400×200*

400

225

440

255

200

120

400

405

400×250

400

280

440

310

200

146

425

430

400×300

400

315

440

350

200

164

445

450

400×350

400

355

440

392

200

180

470

470

450×200

450

225

492

255

230

120

430

430

450×250

450

280

492

310

230

146

455

455

450×300

450

315

492

350

230

164

475

475

450×350

450

355

492

392

230

180

500

495

450×400

450

400

492

440

230

200

525

520

500×200

500

225

545

255

250

120

455

455

500×250

500

280

545

310

250

146

475

480

500×300

500

315

545

350

250

164

495

500

500×350

500

355

545

392

250

180

525

525

500×400

500

400

545

440

250

200

550

550

500×450

500

450

545

492

250

230

575

580

600×200

630

225

680

255

300

120

510

520

600×250

630

280

680

310

300

146

535

545

600×300

630

315

680

350

300

164

555

565

600×350

630

355

680

392

300

180

575

585

600×400

630

400

680

440

300

200

600

610

600×450

630

450

680

492

300

230

625

640

600×500

630

500

680

545

300

250

650

660

700×200

710

225

760

255

310

120

540

559

700×250

710

280

760

310

310

146

540

585

700×300

710

315

760

350

310

164

560

605

700×350

710

355

760

392

310

180

590

630

700×400

710

400

760

440

310

200

615

655

700×450

710

450

760

492

310

230

640

685

700×500

710

500

760

545

310

250

665

705

700×600

710

630

760

680

310

300

735

760

单位为毫米


采购:给水用UPVC 异径三通*表示必填

华球足球(中国) 阿里巴巴
华球足球(中国)产品 合作代理 最新咨询 工程业绩 技术服务 华球足球(中国)实力 关于华球足球(中国) 联系华球足球(中国)
copyright@2021 华球足球
销售热线:021-57394889,021-57394899,13611884555
地址:上海市金山区廊下镇漕廊公路7515号
关键词:UPVC管材|UPVC管件|UPVC阀门|CPVC管材|CPVC管件|CPVC阀门|SCH80 UPVC管材|SCH80 UPVC管件|ANSI阀门|SCH40 UPVC管材|SCH80 CPVC管材|SCH80 CPVC管件