华球足球 SHANGHAI YOULI WATER-STORING PIPES CO. ,LTD 021-57394889 021-57394899
  • 请选择一级分类
  • 国标GB工业用管道系统
  • 国际GB给水用管道系统
  • 美标ANSI SCH80/40管道系统
  • 膜管及组件系列
  • 电子级水用(洁净型)UPVC管道系统
  • 电力电缆、通讯光缆用保护套管系列
  • SJS双金属复合管
  • 衬塑(ABS)复合钢管系统
  • GB/ANSI 阀门系列
  • 板材焊条 其他配件
  • 容器、槽罐、非标件定制
  • {{item.name}}
  • {{item.name}}
  • {{item.name}}
热门关键词:UPVC管材|UPVC管件|UPVC阀门|CPVC管材|CPVC管件|CPVC阀门|SCH80 UPVC管材|SCH80 UPVC管件|ANSI阀门|SCH40 UPVC管材|SCH80 CPVC管材|SCH80 CPVC管件
给水用UPVC 活套法兰 PRODUCT
首页 > 给水用UPVC 活套法兰
给水用UPVC 活套法兰PRODUCT CENTER
给水用UPVC 活套法兰


6  活套法兰.jpg

   


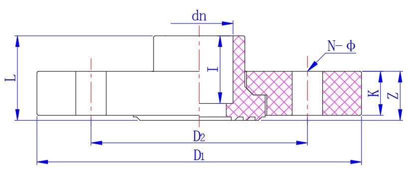
公称通径

DN

dn

D1

D2

I

L

K

Z

NΦ

15

20

95

65

19

24

14

15.5

4Φ14

20

25

105

75

22

27

16

18

4Φ14

25

32

115

85

25

32

17

19

4Φ14

32

40

140

100

28

34

18

20

4Φ18

40

50

150

110

32

38

19

21

4Φ18

50

63

165

125

38

45

20

22

4Φ18

65

75

185

145

44

52

22

24

4Φ18

80

90

200

160

51.5

60

24

27

8Φ18

100

110

220

180

61

71

26

29

8Φ18

125

140

250

210

77

86

33

37.5

8Φ18

150

160

285

240

86

97

34

39.5

8Φ22

dn200

200

336

293

110

125

33

40

8Φ22

200

225

340

295

119

129

35

40

12Φ22

200

225

340

295

119

129

35

40

12Φ22

dn250

250

391

348

133

153

37

45

12Φ22

250

280

400

350

145.5

158

40

48

16Φ22

300

315

445

400

169.5

184

50

52

16Φ22

350

355

505

460

183

204

45

60

16Φ22

400

400

565

515

206

230

45

61

16Φ26

单位为毫米


采购:给水用UPVC 活套法兰*表示必填

华球足球(中国) 阿里巴巴
华球足球(中国)产品 合作代理 最新咨询 工程业绩 技术服务 华球足球(中国)实力 关于华球足球(中国) 联系华球足球(中国)
copyright@2021 华球足球
销售热线:021-57394889,021-57394899,13611884555
地址:上海市金山区廊下镇漕廊公路7515号
关键词:UPVC管材|UPVC管件|UPVC阀门|CPVC管材|CPVC管件|CPVC阀门|SCH80 UPVC管材|SCH80 UPVC管件|ANSI阀门|SCH40 UPVC管材|SCH80 CPVC管材|SCH80 CPVC管件